Darmowa dostawa

Kaseta Sterownicza Kompletna Przycisk Góra - Dół Biała
Opis
Kaseta sterownicza biała z dwoma przyciskami - góra dół
Indeks: AS22-W02-GD
Kaseta sterownicza, z dwoma przyciskami - strzałki - góra/dół
- Kasetę można instalować na różnego rodzaju podłożach takich jak drewno, metal lub tynk.
- Przyciski można wyposażyć w dodatkowe styki NO lub NC - dostępne także na naszych aukcjach.

Dane techniczne:
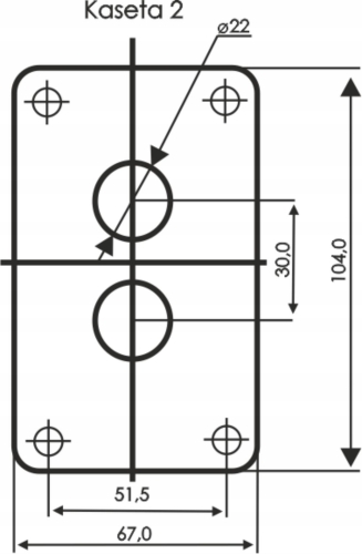
- wymiary kasety: 104x67x48 [mm]
- ilość przycisków: 2
- przyciski z kołnierzem z tworzywa, z oznaczeniami: góra (1x styk NO), dół (1x styk NO)
- średnica montażu przycisków: 22 mm
- materiał kasety: tworzywo
- kolor kasety: biały.

Bezpieczeństwo
Koszty dostawy
Cena nie zawiera ewentualnych kosztów płatności