Darmowa dostawa

Kaseta Sterownicza Przycisk Start Stop W Obudowie
Opis
KASETA STEROWNICZA ŻÓŁTA Z DWOMA PRZYCISKAMI- START STOP
Indeks: AS22-Y02-EA3142
- Kasetę można instalować na różnego rodzaju podłożach takich jak drewno, metal lub tynk.
- Przyciski można wyposażyć w dodatkowe styki NO lub NC - dostępne także na naszych aukcjach.

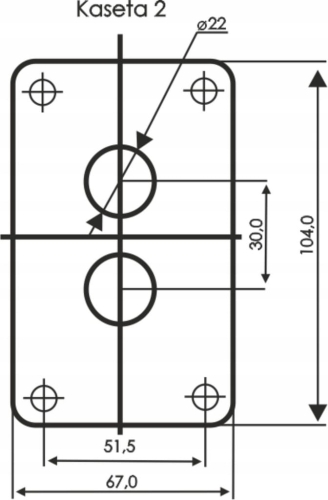
Dane techniczne:
- wymiary kasety: 104x67x48 [mm],
- ilość przycisków: 2,
- przyciski z kołnierzem plastikowym: zielony (1x styk NO), czerwony (1x styk NC),
- średnica montażu przycisków: 22 mm,
- materiał kasety: tworzywo,
- kolor kasety: żółty.

Bezpieczeństwo
Koszty dostawy
Cena nie zawiera ewentualnych kosztów płatności