Darmowa dostawa

Kaseta Sterownicza Kompletna Przycisk Góra Dół Żółta
Opis
Kaseta sterownicza żółta z czterema przyciskami- góra, dół, prawo, lewo.
Indeks: AS22-Y02-GD
- Kasetę można instalować na różnego rodzaju podłożach takich jak drewno, metal lub tynk.
- Przyciski można wyposażyć w dodatkowe styki NO lub NC - dostępne także na naszych aukcjach.

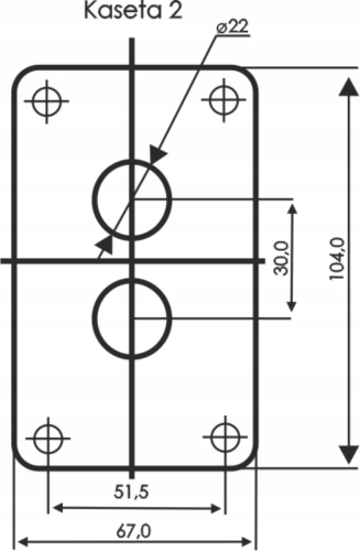
Dane techniczne:
- wymiary kasety: 104x67x48 [mm]
- ilość przycisków: 2
- przyciski z kołnierzem z tworzywa, z oznaczeniami: góra (1x styk NO), dół (1x styk NO)
- średnica montażu przycisków: 22 mm
- materiał kasety: tworzywo
- kolor kasety: żółty.

Bezpieczeństwo
Koszty dostawy
Cena nie zawiera ewentualnych kosztów płatności