Darmowa dostawa

Kaseta Sterownicza Przycisk Start W Obudowie Żółta
Opis
Żółta kaseta sterownicza, z przyciskiem zielonym START.
Indeks: AS22-Y01-EA31
- Kasetę można instalować na różnego rodzaju podłożach takich jak drewno, metal lub tynk.
- Biała kaseta z identycznym przyciskiem dostępna na innej aukcji.
- Przycisk można wyposażyć w dodatkowe styki NO lub NC - dostępne także na naszych aukcjach.
Wykonana z wysokiej jakości materiałów.

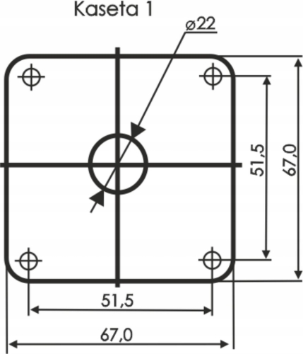
Dane techniczne:
- wymiary kasety: 67x67x48 [mm]
- ilość przycisków: 1
- przyciski z kołnierzem plastikowym: zielony (1x styk NO),
- średnica montażu przycisków: 22 mm
- materiał kasety: tworzywo
- kolor kasety: żółty.

Bezpieczeństwo
Koszty dostawy
Cena nie zawiera ewentualnych kosztów płatności