Darmowa dostawa

STYCZNIK KONDENSATORA SPK12A 12,5Kvar 400V ZASILANIE 230VAC KONDENSATORÓW
Styczniki – Niezawodne rozwiązania dla Twojej instalacji elektrycznej | Electro24.pl
Styczniki to nieodzowny element nowoczesnych instalacji elektrycznych, stosowany zarówno w przemyśle, jak i w budynkach mieszkalnych czy komercyjnych. W sklepie Electro24.pl oferujemy szeroki wybór styczników najwyższej jakości, które spełniają najbardziej wymagające normy techniczne. Niezależnie od tego, czy szukasz komponentów do automatyki przemysłowej, czy systemów sterowania w domu, nasz asortyment jest idealnie dostosowany do Twoich potrzeb.
Opis
Fabrycznie nowy Stycznik kondensatora SPK12A 12,5Kvar 400V, marki Adelid.
Indeks: SL-1211-230+SPK
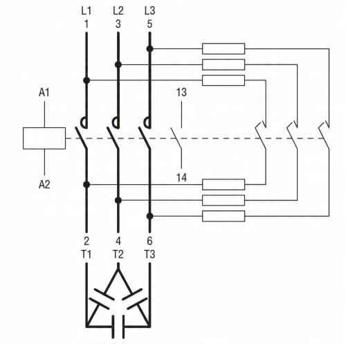
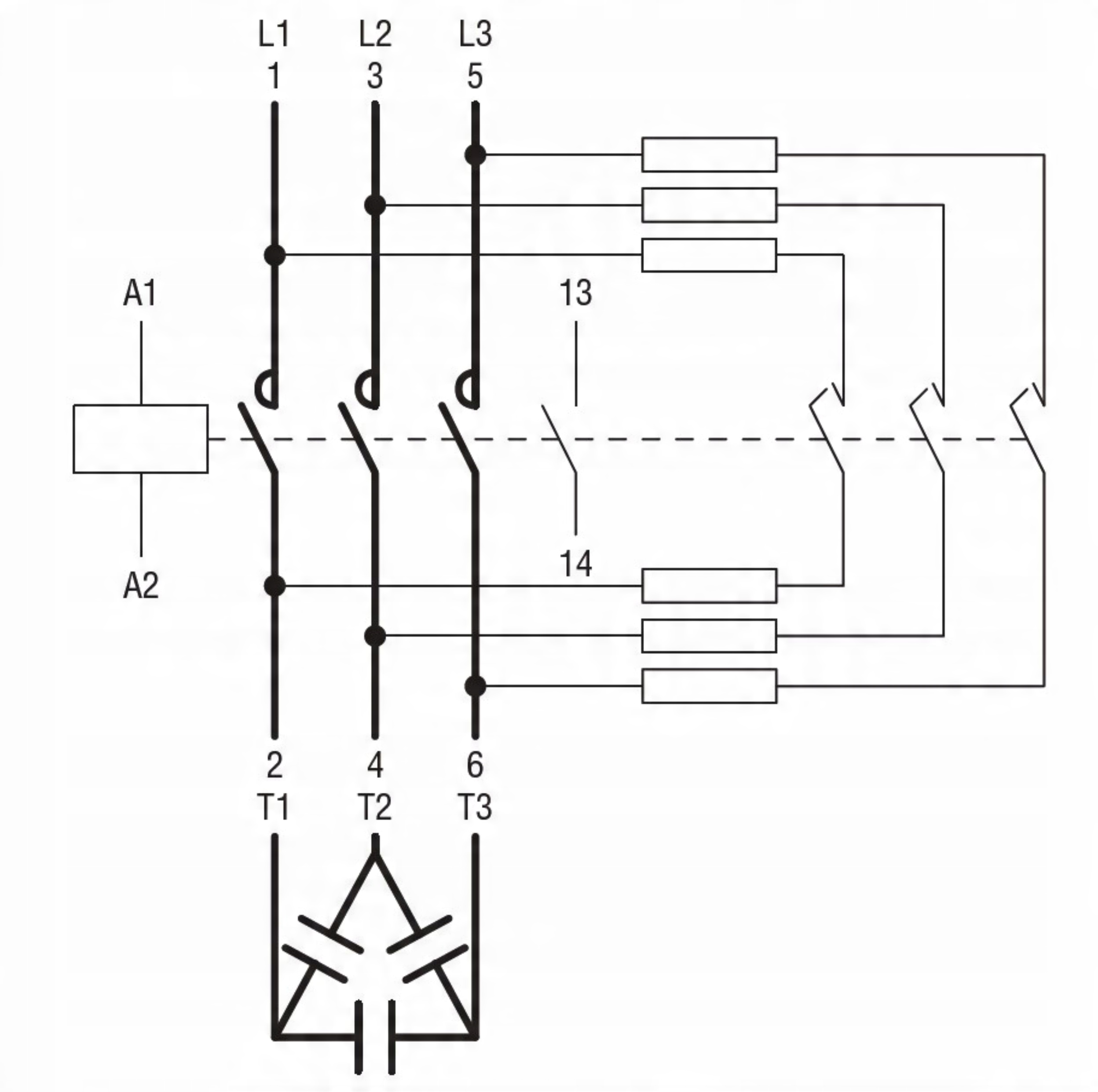
Stycznik marki Adelid to 3-biegunowy stycznik serii SL-SPK do załączania kondensatorów o mocy biernej do 12.5Kvar i prądzie znamionowym do 12A.
- Stycznik sterowany jest cewką o napięciu 230V 50/60Hz. Styczniki SL-+SPK przeznaczone są do załączania kondensatorów w bateriach do kompensacji mocy biernej.
- Wersję SL+SPK produkcji Adelid zaprojektowano do przełączeń trójfazowych. Szczególną cechą tego typu stycznika są jego zestyki umożliwiające załączanie rezystorów ograniczających, które zamykają się jedynie na czas potrzebny do ograniczenia prądu udarowego, a następnie otwierają się, aby uniknąć ewentualnego przepływu prądów szczątkowych przez rezystory.
Styczniki wyposażone są w rezystory zabezpieczające, załączane przez wyprzedzające styki pomocnicze.
- Ten specjalny typ styków ma za zadanie łączenie rezystorów na bardzo krótki okres (2-3 ms) w trakcie zamykania stycznika, ograniczają one prąd łączeniowy kondensatorów. Rezystory te są następnie wyłączane, gdy zamykanie stycznika zakończy się, a obciążalność prądowa przenoszona jest na styki główne.
- Przy tego rodzaju obwodzie możliwe jest znaczne zmniejszenie zużycia wszystkich komponentów systemu, a szczególnie bezpieczników i kondensatorów, co zapewnia przedłużony okres użytkowania i lepszą niezawodność działania.
- Styczniki nadają się szczególnie do stosowania w bateriach kondensatorów w układach kompensacji mocy biernej. Dzięki nim nie ma potrzeby używania ograniczników indukcyjnych. Oprócz tego wyeliminowane zostaje źródło dodatkowego ciepła, co sprawia, że rozdzielnica może mieć bardziej kompaktowe wymiary.
- Szybki montaż modułu na styczniku. Przewody modułu kondensatora zakończone miedzianymi końcówkami widełkowymi (pazurkowymi), o długości 14 cm.
Dane techniczne:
- Znamionowe napięcie sterowania Us dla AC 50/60 Hz: 230/240 V
- Znamionowy prąd roboczy AC3: 12A,
- Znamionowy prąd roboczy AC1: 25A,
- Maksymalna moc załączanego kondensatora AC-6B: 12,5 Kvar przy napięciu 400V,
- Liczba styków głównych zwiernych: 3,
- Liczba styków pomocniczych zwiernych NO: 1,
- Liczba styków pomocniczych rozwiernych NC: 1,
- Zaciski śrubowe,
- Sposób montażu: szyna TH35 lub przykręcany do ściany.
CERTYFIKAT CE
WYMIARY STYCZNIKA ORAZ SCHEMAT PODŁĄCZENIA:
- A: 135 mm,
- B: 77 mm,
- C: 45 mm,
- D: długość przewodów styku pomocniczego kondensatora: 140mm
Koszty dostawy
Cena nie zawiera ewentualnych kosztów płatności