Darmowa dostawa

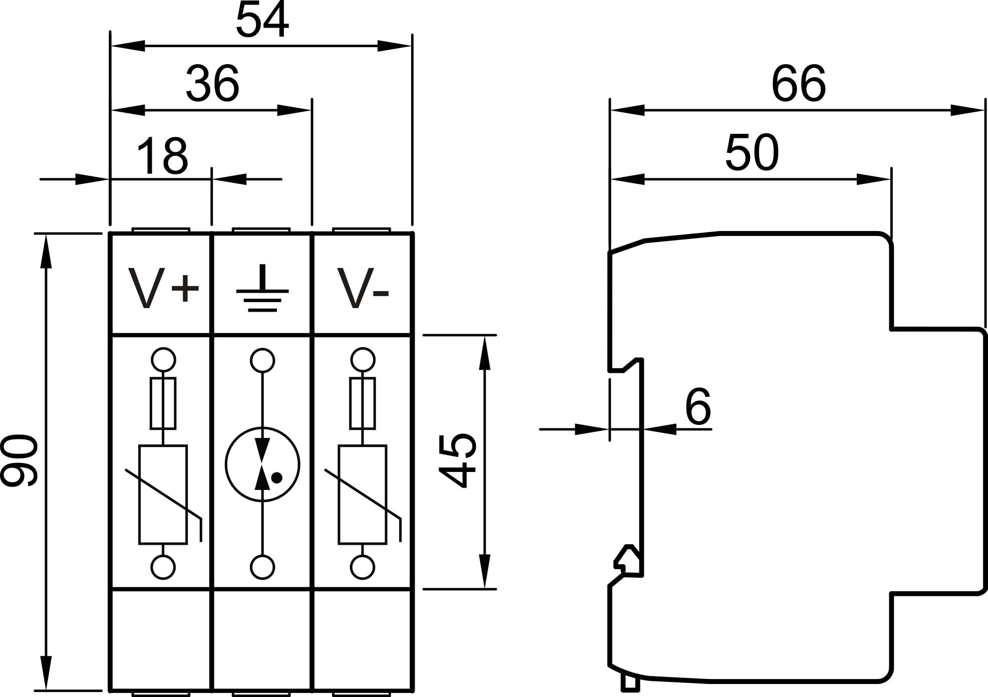
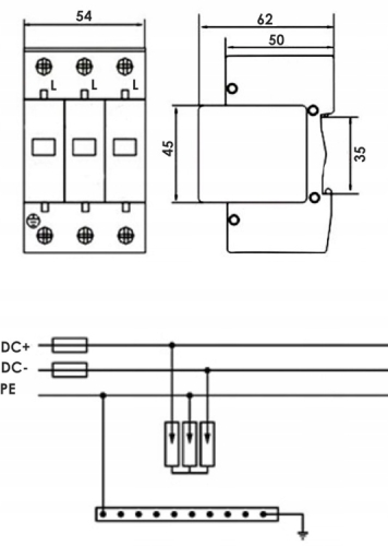
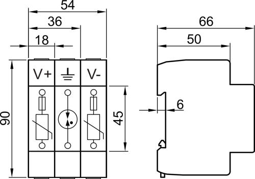
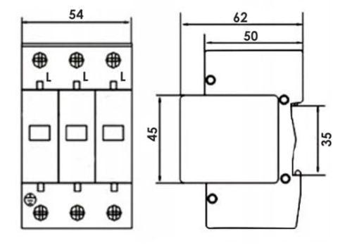
Ogranicznik przepięć fotowoltaika 1000V DC 3P T1 T2
Opis

Ochronnik przeciwprzepięciowy fotowoltaiczny klasy B+C (T1+T2), 3P.
Nr katalogowy: APV-OPS-3P-T1+T2
- Ochronniki przepięć klasy B+C (T1+T2) służą do ochrony instalacji fotowoltaicznych, przed napięciami indukowanymi, łączeniowymi oraz wywołanymi przez czynniki atmosferyczne. Wyposażone są w wizualny wskaźnik działania (zielony – ochrona, czerwony – brak ochrony).
- Ochronnik APV zbudowany jest z wykorzystaniem specjalnego warystora o dużym przepływie oraz iskiernika gazowego.
- Ograniczniki posiadają właściwości, które ułatwiają ich instalowanie i eksploatację.
Dane techniczne:
- Klasa ochrony: B+C (T1+T2),
- Ilość pól: 3,
- Wymagane zabezpieczenie: 32A,
- Napięcie znamionowe Un - 1000V DC,
- Napięcie stałej pracy Uc - 1060V DC,
- In: 20kA, Imax: 40kA,
- Up: <3,2kV,
- Temperatura otoczenia pracy: -30/+50°C,
- Przyłącza max: 35 mm2,
- Wymiary: 54x94x62 mm (szer.xwys.xgł.),
- Montaż: szyna 35 mm,
- Szczelność: IP20,
- Certyfikat CE
Czytelny podgląd stanu - umieszczone na środku duże okienko wskaźnikowe zapewnia podgląd stanu ogranicznika, również przy złym oświetleniu.
Szybszy montaż - zoptymalizowany klips montażowy zapewnia prosty i łatwy montaż bez użycia narzędzi.
Pewne trzymanie modułów w podstawie - stabilne mocowanie umożliwia stosowanie ograniczników w aplikacjach zagrożonych wibracjami, np. w elektrowniach wiatrowych. Jednocześnie po wciśnięciu elementu unieruchamiającego, możliwe jest wyjęcie modułu z podstawy.
Wyprodukowane zgodnie z normą IEC/EN 61643-11.

Bezpieczeństwo
Koszty dostawy
Cena nie zawiera ewentualnych kosztów płatności

